Collection: CTC1015 Tile Saw Parts By Norton Clipper

Showing 1to 9of 9 items

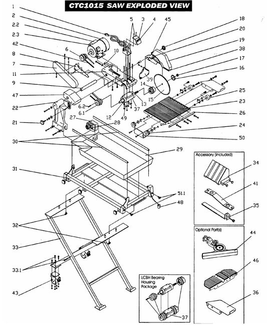
CTC1015  Tile Saw Parts

Norton Clipper specializes in cutting and drilling applications on concrete, masonry, and tile. Norton has a fleet of different models applicable for a number of different construction job sites.

The broad categories of Norton Clipper equipment line include - 

High-Speed Saws

Masonry Saws

Tile Saws

Core Drills

It is highly recommended that you only use only genuine Norton Clipper saw and core drill parts for repairing your concrete saw and core drill parts. Order from an authorized dealer, genuine parts for your equipment at the best prices. Select the correct parts from our detailed parts diagrams for Norton Clipper equipment.